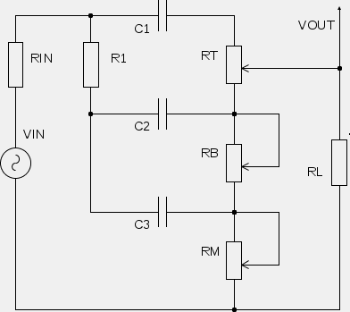
INFO
Part
Value
RIN
Ω
R1
Ω
RT
Ω
RB
Ω
RM
Ω
RL
Ω
C1
F
C2
F
C3
F
Amplitude
Phase
RB
Linear
LogA
LogB
RM
Linear
LogA
LogB
RT
Linear
LogA
LogB